R90/F4ES - Fotokomórki przekaźnikowe 15m
- Zasięg: max. 15 m
- Zastosowanie: Uniwersalne (przekaźnik)
- Rodzaj złącza: NO / NC
- Regulowana soczewka: NIE
- Zasilanie: 12 V AC, 12 V DC, 24 V AC, 24 V DC
- Wymiary: 62 x 88 x 27 mm
Opis
Fotokomórki R90/F4ES, zaprojektowane do pracy w systemach automatyki Roger Technology, zapewniają wysoki poziom bezpieczeństwa użytkowania. Urządzenia przeznaczone są do montażu zewnętrznego i charakteryzują się skutecznym zasięgiem do 15 metrów, oraz możliwością synchronizacji czterech par fotokomórek. Zastosowanie fotokomórek uniemożliwia zamknięcie bramy w momencie, gdy na jej drodze znajduje się przeszkoda, chroniąc pojazdy, ludzi i zwierzęta przed przypadkowym uszkodzeniem.
Funkcja w systemie automatykiWiększe bezpieczeństwo użytkowaniaFotokomórki Roger R90/F4ES pełnią kluczową rolę w systemie automatyki bramowej, znacząco podnosząc poziom bezpieczeństwa pracy napędu. Ich zadaniem jest wykrywanie wszelkich przeszkód znajdujących się na torze ruchu bramy. W praktyce oznacza to, że jeśli w świetle bramy znajdzie się samochód, osoba lub zwierzę, fotokomórki natychmiast przerwą sygnał, uniemożliwiając rozpoczęcie zamykania. Dzięki temu zapobiegają przypadkowemu uszkodzeniu pojazdu lub zagrożeniu dla użytkowników. |
![]() |
![]() |
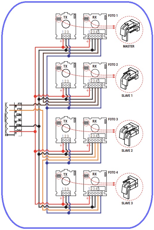
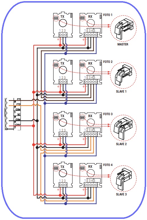
Synchronizacja czterech par fotokomórekStabilna praca bez wzajemnych zakłóceńFotokomórki Roger R90/F4ES umożliwiają pracę w konfiguracji z synchronizacją aż do czterech par fotokomórek jednocześnie. Takie rozwiązanie pozwala na zastosowanie ich w rozbudowanych systemach automatyki, gdzie konieczne jest zabezpieczenie kilku stref przejazdu lub różnych kierunków ruchu. Synchronizacja eliminuje ryzyko wzajemnych zakłóceń między zestawami, zapewniając stabilną, precyzyjną i niezawodną pracę całego systemu bezpieczeństwa. |
- Zasięg: max. 15 m
- Zastosowanie: Uniwersalne (przekaźnik)
- Rodzaj złącza: NO / NC
- Regulowana soczewka: NIE
- Zasilanie: 12 V AC, 12 V DC, 24 V AC, 24 V DC
- Wymiary: 62 x 88 x 27 mm

