Co chcemy osiągnąć?
Wysyłając SMS do centrali alarmowej (np. „Otworz” lub „Zamknij”), wydajemy polecenie do automatyki bramowej. Jednocześnie, przy otwieraniu bramy, centrala INTEGRA załącza oświetlenie na podjeździe, ale tylko w godzinach nocnych.
Brama – czy muszę coś wiedzieć?
Zasadniczo nie dokonujemy żadnych zmian mechanicznych, elektrycznych czy konfiguracyjnych w automatyce do bramy. Musimy jedynie znać funkcjonalność złącz centrali automatyki bramowej, aby sprawnie połączyć ją z centralą alarmową.
Należy zlokalizować złącza odpowiedzialne za przekazywanie statusu otwarcia bramy oraz złącza do sterowania bramą (rys. 1).

Jak wydobyć z centrali NICE informację o stanie otwarcia bramy?
Najprościej byłoby zastosować czujkę magnetyczną (czujkę otwarcia), która zostanie podłączona do wejścia centrali alarmowej. My jednak skorzystamy ze specjalnego wyjścia SCA, które ma większość central sterujących NICE.
Wyjście SCA może pracować w następujący sposób:
- brama zamknięta – brak napięcia na wyjściu SCA,
- brama otwarta – napięcie 24V na wyjściu SCA,
- brama zamyka się – szybkie pulsowanie wyjścia SCA,
- brama otwiera się – wolne pulsowanie wyjścia SCA.
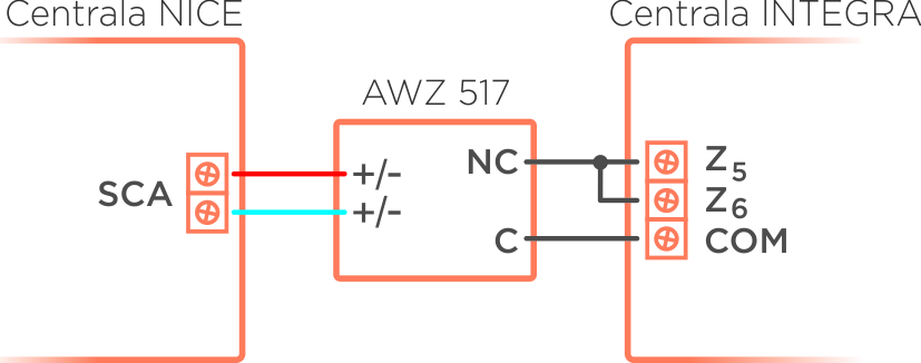
Wynika z tego, że centrala NICE jest w stanie wysłać komunikat, czy brama jest zamknięta, otwarta lub czy jest w trakcie ruchu. Podłączamy więc wyjście SCA centrali bramowej do dowolnego wejścia „Z” centrali alarmowej. Centrala NICE wystawia napięcie 24V, a centrala SATEL operuje na napięciu 12V. Nie możemy więc bezpośrednio połączyć tych dwóch central. Rozwiązanie polega na zastosowaniu przekaźnika, którego cewka jest sterowana napięciem 24V. My zastosowaliśmy moduł przekaźnikowy AWZ517 firmy Pulsar (rys. 2.).

Ograniczony dostęp! Zostań partnerem i przeczytaj pozostałe 69% porady.

Artykuł jest dostępny dla użytkowników Premium.
Jesteś instalatorem i potrzebujesz więcej? Sprawdź!
Dodaj komentarz
Możliwość komentowania dostępna jest dla zalogowanych użytkowników